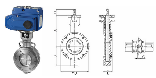
電動雙偏心蝶閥又稱電動高性能蝶閥,是結合多種不同結構蝶閥優點,再進一步改良設計而成的新型蝶閥,該閥的蝶板外周和密封閥座均加工成半球面型,依靠蝶板外球面擠壓密封閥座內球面,產生彈性變形,達到關緊的目的。其結構特征的設計,使閥門開啟后,蝶板能迅即脫離閥座、大幅度消除了蝶板與閥座的過度擠壓、刮擦,減輕了開啟阻距、降低了磨損、提高了閥座壽命。

| 公稱通徑 | DN50~DN700(MM) |
| 公稱壓力 | PN0.6、1.0、1.6、2.5、4.0MPa |
| 連接方式 | 對夾、法蘭、凸耳 |
| 驅動形式 | 電動AC220V、AC380V、DC24V等 |
| 密封材質 | PTFE |
| 動作范圍 | 0~90度 |
| 結構形式 | 雙偏心 |
| 閥體材質 | 碳鋼、不銹鋼304、316、316L等 |
| 溫度范圍 | -40℃-300℃ |
| 控制形式 | 開關型、調節型 |
1、單一的PTFE彈性閥座密封結構,通過系統壓力達到動態密封,經久耐用,可靠性高;
2、不必使用附加的密封圈或金屬部件即能保持可靠密封;
3、可操持雙向的無泄漏密封;
4、唇緣式密封設計補償了使用時溫度和壓力的變化;
5、在開啟和處于中間位置時閥座與蝶板不發生接觸。
6、維修方便只要取下壓板就可更換閥座,不必拆卸碟板和軸。

電動雙偏心蝶閥的結構特征為在閥桿軸心既偏離蝶板中心、也偏離本體中心。雙偏心的效果使閥門被開啟后蝶板能迅即脫離閥座、大幅度地消除了蝶板與閥座的不必要的過度擠壓、刮擦現象、減輕了開啟阻距、降低了磨損、提高了閥座壽命。閥座外面是活動的嵌件,法蘭夾的越緊、壓力越大密封性能越佳。更換閥座方便簡單,只需取下嵌件就可取出閥座,不必拆卸閥板和閥軸。采用帶有球形密封表面的雙偏心蝶板,配以單片撓性唇式密封座,適用于要求可靠密封和良好調節特性的場合。